
- Kształtki z polipropylenu (PP) do kanalizacji zewnętrznej
- fi 110 mm / 87,5 ° (nr 157)
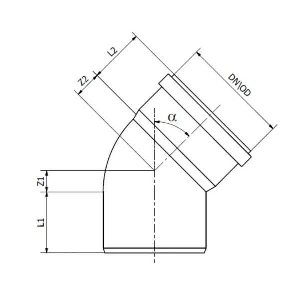
Kolano kanalizacji zewnętrznej 110 mm/87,5°
Opis produktu:
Armakan prezentuje kolano kanalizacji zewnętrznej o kącie α wynoszącym 87,5°, dedykowane do rur o średnicy DN/OD 110 mm. Jego solidna konstrukcja zapewnia niezawodność i trwałość przez wiele lat użytkowania.
Wytrzymała Konstrukcja
Kolano Armakan wykonane jest z materiałów najwyższej jakości, cechujących się grubością ścianki wynoszącą 3,4 mm. Dzięki temu produkt wykazuje znakomitą odporność na uszkodzenia mechaniczne oraz działanie warunków atmosferycznych, co czyni go idealnym rozwiązaniem do zastosowań zewnętrznych.
Efektywny Kształt
Dzięki kątowi α wynoszącemu 87,5°, to kolano zapewnia płynny przepływ ścieków, minimalizując ryzyko zatorów i zapychania się systemu kanalizacyjnego. Precyzyjne wymiary L1, L2, Z1 oraz Z2 gwarantują idealne dopasowanie i łatwy montaż, co przekłada się na oszczędność czasu i pracy podczas instalacji.
Uniwersalne Zastosowanie
Dzięki standardowej średnicy DN/OD 110 mm, kolano Armakan jest kompatybilne z większością dostępnych na rynku systemów kanalizacyjnych. Jest to idealne rozwiązanie zarówno do użytku domowego, jak i przemysłowego, gwarantujące efektywną i bezawaryjną pracę.
Zainwestuj w kolano kanalizacji zewnętrznej Armakan i ciesz się spokojem i pewnością, że Twój system kanalizacyjny będzie działał sprawnie i niezawodnie przez wiele lat.








