
- Kształtki z polipropylenu (PP) do kanalizacji zewnętrznej w zakresie średnic: Ø110 – Ø200 mm. (nr 227)
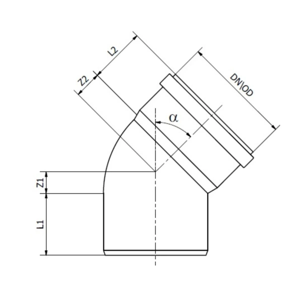
Kolano kanalizacji zewnętrznej 200 mm/15 ° - Idealne rozwiązanie dla efektywnej kanalizacji
Solidność i niezawodność
Zaawansowana konstrukcja tego kolana gwarantuje solidność i niezawodność przez długi okres użytkowania. Grubość ścianki wynosząca 6,2 mm zapewnia wyjątkową wytrzymałość, co sprawia, że produkt ten doskonale sprawdza się nawet w najtrudniejszych warunkach środowiskowych.
Optymalny kąt nachylenia
Kąt α równy 15 stopni to kluczowa cecha, która pozwala na efektywne układanie rurociągów w systemach kanalizacyjnych. Dzięki temu kolano Armakan gwarantuje płynny przepływ odpadów, minimalizując ryzyko zatorów i zapychania się instalacji.
Precyzyjne wymiary
Precyzyjnie określone wymiary, takie jak L1 (100 mm), L2 (100 mm), Z2 (33 mm) oraz Z1 (8 mm), sprawiają, że instalacja tego kolana jest szybka i łatwa. Zapewniają one idealne dopasowanie do istniejącej infrastruktury kanalizacyjnej, eliminując konieczność dostosowywania czy modyfikowania innych elementów.
Zgodność z normami
Kolano kanalizacji zewnętrznej marki Armakan spełnia wszystkie normy dotyczące jakości i bezpieczeństwa, co potwierdza jego wysoką jakość oraz zgodność z wymaganiami branżowymi.
Podsumowanie
Wniosek jest jasny: kolano kanalizacji zewnętrznej o średnicy 200 mm i kącie nachylenia 15 stopni, marki Armakan, to nie tylko element infrastruktury, ale inwestycja w spokojną eksploatację i bezawaryjność systemu kanalizacyjnego. Wybierając ten produkt, wybierasz solidność, efektywność i trwałość.
Zainwestuj w kolano Armakan już teraz i ciesz się spokojem i niezawodnością swojej instalacji kanalizacyjnej!







