
- Kształtki z polipropylenu (PP) do kanalizacji zewnętrznej w zakresie średnic: Ø110 – Ø200 mm. (nr 170)
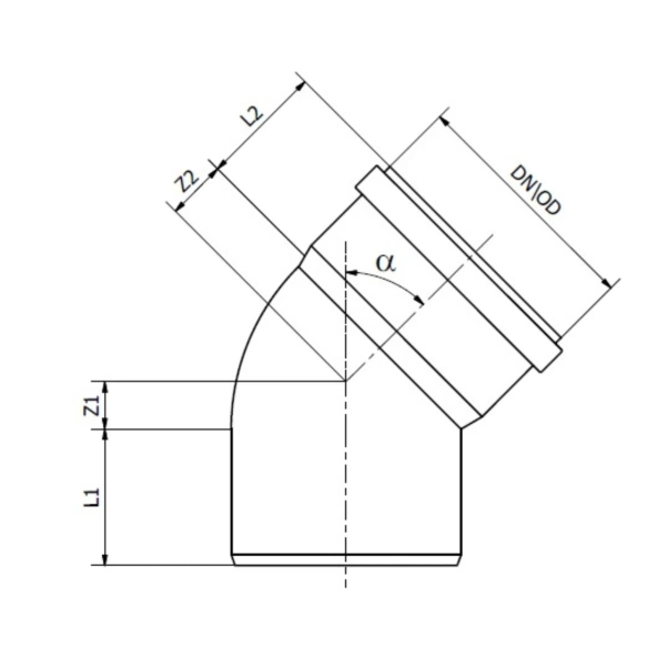
Kolano kanalizacji zewnętrznej 200 mm/87,5 ° - Armakan
Kolano kanalizacji zewnętrznej 200 mm/87,5 ° marki Armakan to niezawodne rozwiązanie dla Twoich potrzeb kanalizacyjnych. Dzięki swojej solidnej konstrukcji i wysokiej jakości materiałom używanym do produkcji, kolano to gwarancja trwałości i efektywności w każdych warunkach.
Odporność na warunki zewnętrzne
Dzięki grubości ścianki wynoszącej 6,2 mm, to kolano zapewnia solidną ochronę przed wszelkimi wpływami środowiskowymi. Bez względu na to, czy jesteś w obszarze o intensywnych opadach deszczu, czy ekstremalnych temperaturach, produkt ten nie zawiedzie.
Precyzyjna konstrukcja
Kolano kanalizacji zewnętrznej Armakan zostało zaprojektowane z myślą o precyzji i funkcjonalności. Kąt α wynoszący 87,5° gwarantuje optymalną przepustowość i płynny przepływ wody oraz innych substancji.
Solidność i wytrzymałość
Zastosowanie wysokiej jakości materiałów sprawia, że kolano Armakan jest niezwykle wytrzymałe. Zarówno L1 jak i L2 o długościach 100 mm oraz Z1 o długości 96 mm oraz Z2 o długości 111 mm gwarantują stabilność i niezawodność nawet przy dużych obciążeniach.
Uniwersalność
Średnica DN/OD wynosząca 200 mm sprawia, że kolano jest doskonałym rozwiązaniem dla wielu zastosowań. Bez względu na to, czy jesteś właścicielem domu jednorodzinnego, czy zarządzasz dużym obiektem komercyjnym, ten produkt sprosta Twoim oczekiwaniom.
Podsumowanie
Kolano kanalizacji zewnętrznej 200 mm/87,5 ° marki Armakan to niezawodność, solidność i efektywność w jednym. Zapewniając ochronę przed warunkami zewnętrznymi, precyzyjną konstrukcję i uniwersalność, ten produkt spełni oczekiwania nawet najbardziej wymagających klientów. Wybierz Armakan i ciesz się pewnością, że Twoje potrzeby kanalizacyjne są w najlepszych rękach.







